
產品概述
YZG/FZG系列真空干燥機屬于靜態真空干燥機,該干燥設備將被干燥物料處于真空條件下進行加熱,并利用真空泵進行抽氣抽濕,使工作室處于真空狀態,物料的干燥速率大大加快,同時也節省了能源。如采用冷凝器,物料中的溶劑可通過冷凝器加以回收,如溶劑為水,可不用冷凝器,節省能源投資。
產品演示


設備特點
1、真空下物料溶液的沸點降低,使蒸發器的傳熱推動力增大,因此對一定的傳熱量可以節省蒸發器的傳熱面積。
2、蒸發操作的熱源可采用低壓蒸汽或廢熱蒸汽。
3、蒸發器熱損失少,能在較低溫度下得到較高的干燥速率,熱量充分利用。
4、能低溫干燥不穩定或者熱敏性物料及含有溶劑及需要回收溶劑的物料。
5、在干燥前可進行消毒處理,干燥過程中無異物混入,符合GMP要求。
6、屬于靜態真空干燥器,故干燥物料的形體不會損壞。
7、采用冷凝器,可有效回收物料中的溶劑。
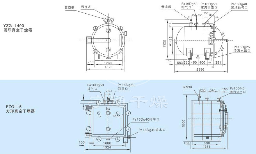
結構示意圖


適應范圍
適用于在高溫下易分解、聚合和變質的熱敏性物料的低溫干燥,被廣泛地采用在制藥、化工、食品、電子等行業。
技術參數

上述數據。僅供參考。如有特殊要求,本廠提供設計,咨詢服務。
方形、圓形真空干燥機用戶單位

上一篇:HG系列回轉滾筒干燥機
下一篇:GXG系列過濾洗脫干燥一體機